8h-18h Thứ 2-thứ 7
Timer Tủ Lạnh tại Hà Nội
Timer tủ lạnh hay còn gọi là đồng hồ thời gian, bộ hẹn giờ xả đá chỉ lắp trên tủ lạnh cơ, có chức năng kiểm soát chu kỳ làm lạnh, xả tuyết và rã đông theo một khoảng thời gian nhất định nhằm đảm bảo tủ hoạt động ổn định và hiệu quả. Đối với tủ Inverter thì chức năng của timer được thay thế bằng bo mạch điều khiển.
Cấu tạo Timer tủ lạnh
- Timer thường được làm bằng nhựa hoặc kim loại, có kích thước nhỏ gọn.
- Bên trong timer có các lò xo, cam và các tiếp điểm điện. và mô tơ thời gian (tương tự như mô tơ của đồng hồ treo tường)
- Timer được kết nối với nguồn điện, máy nén, quạt gió và hệ thống xả đá.
Nguyên lý hoạt động Cấu tạo Timer tủ lạnh
Timer hoạt động dựa trên nguyên tắc cơ học, sử dụng lò xo và cam để điều khiển các tiếp điểm điện.
- Khi tủ lạnh hoạt động, timer sẽ tự động bật và tắt máy nén theo chu kỳ nhất định.
- Khi đến thời gian xả đá, timer sẽ ngắt nguồn điện cấp cho máy nén và cung cấp điện cho hệ thống xả đá.
- Hệ thống xả đá sẽ làm nóng dàn lạnh, giúp tan chảy lớp băng tuyết bám trên dàn lạnh.
- Sau khi xả đá xong, timer sẽ lại bật nguồn điện cho máy nén và tủ lạnh tiếp tục hoạt động bình thường.
Vai trò của timer tủ lạnh
- Kiểm soát chu kỳ làm lạnh: Timer giúp đảm bảo tủ lạnh hoạt động không liên tục, giúp tiết kiệm điện năng và tăng tuổi thọ cho máy nén.
- Xả tuyết: Timer giúp xả tuyết định kỳ, ngăn ngừa tình trạng đóng tuyết dày trên dàn lạnh, ảnh hưởng đến hiệu quả làm lạnh và gây tốn điện.
Vị trí lắp đặt timer tủ lạnh
Timer thường được đặt ở sau lưng tủ lạnh, trong phần hộp điện kế bên máy nén
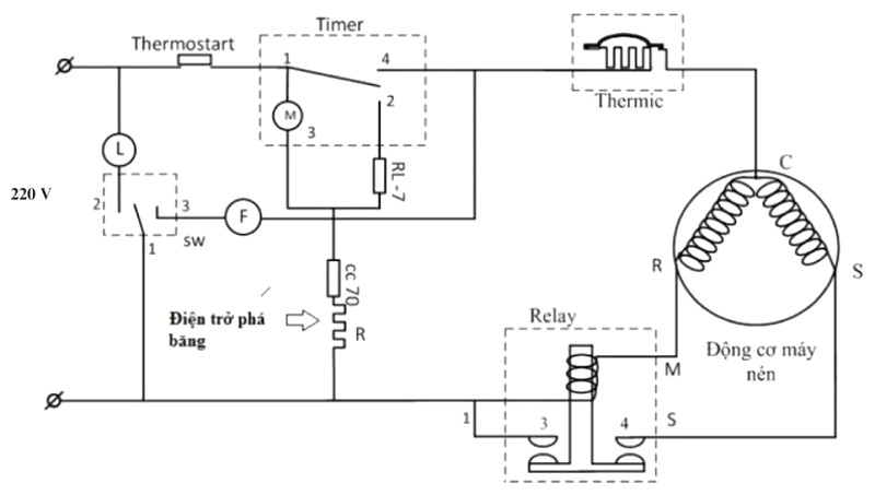
Vai trò và ý ghĩa các chân timer tủ lạnh

Sơ đồ mạch điện timer tủ lạnh
Chân 1: Là chân cấp nguồn xoay chiều 220V
Chân 2: Là chân cấp điện cho điện trở xả đá
Chân 3: Là mô tơ thời gian
Chân 4: Chân cấp điện cho máy nén.
Cách xác định các chân timer tủ lạnh
Bước 1: Xác định đâu là chân chung số 1
Ở vị trí bất kỳ của timer, luôn có 1 cặp dây thông nhau và một cặp dây luôn có điện trở. Chân chung số 1 là chân mà vừa thông với chân số 4 (hoặc thông với chân số 2) và vừa lên điện trở với chân số 3
Bước 2: Xác định chân mô tơ số 3
Qua bước 1, bạn đã dễ dàng xác định chân số 3, sau khi xác định chân chung số 1, từ chân chung, bạn đo điện trở đến các chân còn lại, nếu có một chân nào lên điện trở tầm vài trục Ôm thì đó chính là chân mô tơ. Còn nếu chỉ thấy chân tiếp xúc mà không có chân lên điện trở thì timer đó đã bị hỏng.
Bước 3: Xác định chân số 4 ra máy nén
- Một đầu đo cắp vào chân 1, đầu còn lại cắm vào chân số 2 hoặc chân số 4 và tiến hành xoay trục mô tơ bằng tô vít 2 cạnh (bạn chỉ có thể xoay 1 chiều, bạn cố xoay ngược chiều vát của trục mô tơ thì sẽ làm mô tơ hỏng). Chân số số 4 sẽ là chân mà tiếp xúc với chân số nhiều nhất
Bước 4: Xác định chân số 2 ra điện trở xả đá:
Tương tự như bước 3: Thời gian mà chân 1 tiếp xúc với chân số 2 là ngắn hơn.
Cách chẩn đoán timer tủ lạnh hỏng
- Trước tiên, bạn tháo vỏ lốc, lôi con timer ra, bật tủ lạnh lên, lấy tay sờ vào con timer xem có có rung rung không nếu không thấy rung rung thì khả năng mô tơ của timer chết.
- Các dấu hiệu khác: Tủ lạnh không lạnh, đóng tuyết quá nhiều
- Cách đo kiểm: Tương tự như cách xác định các chân time, nếu các chân không thông nhau khi bạn xoay trục hoặc không lên điện trở của chân mô tở thì timer hỏng.
Mua Timer Tủ Lạnh ở đâu?
Với phương châm phục vụ khách hàng từ A đến Z trong việc cung cấp vật tư sửa chữa bảo dưỡng nhà, với gần 5000 sản phẩm, và có đến 90% các sản phẩm sẵn có tại cửa hàng, chúng tôi đã và đang nỗ lực hết sức cung cấp đủ tất cả các nhu cầu của quý khách. Chỉ cần 1 cuộc gọi hoặc một vài cái nhấp chuột, một lần trải nghiệm mua hàng bạn đã chọn được nhà cung cấp đủ uy tín trước và sau bán hàng ,bạn đã tiết kiệm khoản thời gian quý báu của mình. Hơn nữa, bạn cũng có thể yêu cầu xuất VAT, lấy chứng chỉ CO, CQ cho những sản phẩm bạn đã mua.
Chúng tôi là công ty TNHH thương mại xây lắp và dịch vụ An Huy là nhà cung cấp hàng đầu các sản phẩm trong ngành kim khí tổng hợp, điện, nước, điện lạnh, phụ kiện nghề mộc.

Mặt ngoài cửa hàng kim khí điện nước anhuy tại 32 Minh Khai, Hai Bà Trưng, Hà Nội
Tên công ty: TNHH thương mại xây lắp và dịch vụ An Huy
Mã số thuế: 0107489489 cấp ngày 01 tháng 07 năm 2016 tại Sở kế hoạch và Đầu tư Thành phố Hà Nội
Địa chỉ: Số 32 Minh Khai, Hai Bà Trưng, Hà Nội
Điện thoại: 0989 632 485
Website: diennuocanhuy.vn
Nhận ship hàng Timer Tủ Lạnh trong nội thành hà nội
Thời gian giao hàng hết khoảng 1 tiếng đến các quận và phường ngoài bán kính 8km như:
- Ship hàng đến các quận Hà Nội: Quận Ba Đình, Quận Đống Đa, Quận Thanh Xuân, Quận Cầu Giấy, Quận Tây Hồ, Quận Nam Từ Liêm, Quận Bắc Từ Liêm, Quận Hà Đông, Quận Thanh Trì, Quận Gia Lâm
- Các phường và tuyến phố Hà Nội:
+ Giảng Võ, Kim Mã, Liễu Giai, Quán Thánh, Trúc Bạch, Vĩnh Phúc, Cát Linh, Khâm Thiên, Kim Liên, Láng Hạ, Ngã Tư Sở, Ô chợ Dừa, Phương Liên, Qang Trung, Trung Liệt, Trung Tự, Văn Miếu, Văn Chương
+ Hạ Đình, Khương Đình, Kim Giang, Nhân Chính, Phương Liệt, Thượng Đình, Dịch Vọng, Mai Dịch, Nghĩa Đô, Nghĩa Tân, Quan Hoa, Trung Hòa, Yên Hòa.
+ Bưởi, Nhật Tân, Phú Thượng, Quảng An, Thụy Khuê, Xuân La, Yên Phụ, Cầu Diễn, Mỹ Đình 1, Mỹ Đình 2, Phú Đô, Mễ Trì, Trung Văn, Đại Mỗ, Tây Mỗ, Phương Canh, Xuân Phương.
+ Cổ Nhuế, Đông Ngạc, Thụy Phương, Liên Mạc, Thượng Cát, Tây Tựu, Phú Diễn, Phúc Diễn, Xuân Đỉnh, Xuân Tảo, Ngọc hồi, Tứ Hiệp, Vạn Phúc
+ Trâu Quỳ, Cổ Bi, Đặng xá, Lệ Chi, Bát Tràng, Đa Tốn, Kiêu Kỵ, Ninh Hiệp...
Thời gian giao hàng trong vòng 30 phút đến các quận và phường trong vòng bán kính dưới 8km như sau:
Giao hàng 30 phút đến các quận: Quận Hoàn Kiếm, Quận Hoàng Mai, Quận Hai Bà Trưng, Quận Long Biên
Giao hàng 30 phút đến các phường, tuyến phố:
+ Chương Dương, Cửa Đông,Cửa Nam, Đồng Xuân, Hàng Bạc, Hàng Bài, Hàng Bồ, Hàng Bông, Hàng Buồm, Hàng Đào, Hàng Gai, Hàng Mã, Hàng Trống, Lý Thái Tổ, Phan Chu Trinh, Phúc Tân, Trần Hưng Đạo, Tràng Tiền.
+ Đại Kim, Định Công, Giáp Bát, Hoàng Liệt, Hoàng Văn Thụ, Lĩnh Nam, Mai Động, Tân Mai, Thanh Trì, Thịnh Liệt, Trần Phú, Tương Mai, Vĩnh Hưng, Yên Sở.
+ Bạch Đằng, Bách Khoa, Bạch Mai, Bùi Thị Xuân, Cầu Dền, Đống Mác, Đồng Nhân, Đồng Tâm, Lê Đại Hành, Minh Khai, Ngô Thì Nhậm, Nguyễn Du, Phạm Đình Hổ, Phố Huế, Quỳnh Lôi, Quỳnh Mai, Thanh Lương, Thanh Nhàn, Trương Định, Vĩnh Tuy.
+ Bồ Đề, Cự Khối, Đức Giang, Gia Thụy, Giang Biên, Long Biên, Ngọc Lâm, Ngọc Thụy, Phúc Đồng, Phúc Lợi, Sài Đồng, Thạch Bàn, Thượng Thanh, Việt Hưng.
+ Các khu đô thị trên địa bàn thủ đô: Times city, royal city, Vinhome ocean park, Vinhome riverside...
Địa chỉ bán Timer Tủ Lạnh tại hà nội
Là nhà phân phối các thiết bị điện nước kim khí và vật tư điện lạnh với các thương hiệu: Panasonic, thiết bị điện MPE, thiết bị điện sino, đèn chiếu sáng rạng đông. Chúng tôi nhận phân phối với số lượng lớn cho các dự án tại Hà Nội với đầy đủ chứng chỉ của nhà sản xuất. Đến với cửa hàng chúng tôi Quý khách hoàn toàn yên tâm với dịch vụ tốt nhất.
Cửa hàng kim khí điện nước điện lạnh tại Hà Nội
- Chất lượng hàng hóa: Chúng tôi cam kết tất cả các sản phẩm bán ra tại cửa hàng đều là đã được chúng tôi kiểm nghiệm chất lượng trước khi đến tay khách hàng. Nhiều sản phẩm được chúng tôi nhập trực tiếp từ nhà máy sản xuất nên có đầy đủ hồ sơ chứng chỉ cũng như VAT.
- Giá sản phẩm: Chúng tôi cam kết giá bán luôn tương xứng với đúng giá trị của sản phẩm mang lại với mức chiết khấu cao nhất mà chúng tôi có thể chấp nhận được.
- Giao Hàng: Chúng tôi nhận giao hàng toàn quốc, riêng với khu vực nội đô có đến 90% sản phẩm phẩm luôn có sẵn tại cửa hàng nên chúng tôi tự tin giao hàng đến quý khách trong vòng 1 tiếng. Đặc biệt với khu vực quận Hai Bà Trưng, Hoàng Mai, Hoàn Kiếm, chung tôi giao hàng trong vòng 30 phút.
- Hỗ trợ kỹ thuật: Bởi hàng hóa của chúng tôi bán ra không phải là đồ ăn thức uống mà là loại sản phẩm kỹ thuật dành cho thợ sửa chữa lắp giáp nên việc hiểu biết về sản phẩm là một phần rất quan trọng để bán được các sản phẩm như thế. Vì vậy chúng tôi có đội ngũ nhân viên, thợ kỹ thuật giỏi luôn tư vấn vấn, hướng dẫn nhiệt tình về tính năng, cách sử dụng cũng như cách lắp đặt sản phẩm.
- Dịch vụ sau bán hàng: Chúng tôi hiểu, để bán được hàng cho khách lần đầu (khách mới) không phải là quá khó. Mà giữ được khách hàng kể cả trong trường hợp họ có công trình ở xa đó mấy là việc khó! Và đó cũng là mục tiêu cao nhất để chúng tôi nỗ lực làm việc và hướng đến, không chỉ bán được hàng song là song mà sự hài lòng của khách hàng sau khi họ sử dụng sản phẩm chính là niềm vui, là thước đo sự thành công của chúng tôi.
Liên hệ mua Timer Tủ Lạnh tại Hà Nội
- Hotline & Zalo kinh doanh: 0989 632 485
- Hỗ trợ kỹ thuật: 0399 199 599
- Website: https://diennuocanhuy.vn
- Cửa hàng 1: 32 Minh Khai, phường Trương Định, quận Hai Bà Trưng, TP Hà Nội.
- Cửa hàng 2: Tổ 7, Thị Trấn Quang Minh, Mê Linh, Hà Nội
- Thời gian: Từ 8h-18h các ngày trong tuần trừ chủ nhật và ngày lễ.
An Huy - Một điểm đến, mọi vật tư!
 
					
						
