8h-18h Thứ 2-thứ 7
Cảm ơn Anh, Chị đã quan tâm. Để được hỗ trợ xịn gọi đến:
+ Kỹ thuật: 0399 199 599
+ Kinh doanh: 0989 632 485
- Cửa hàng 1: 32 Minh Khai, phường Trương Định, quận Hai Bà Trưng, TP Hà Nội (đối diện Chợ Mơ)
- Cửa hàng 2: Tổ 7, Gia Trung, xã Quang Minh, TP. Hà Nội (gần chợ mới)
- Giờ làm việc: 8h00 - 18h00 (T2 - T7). Ngoài thời gian trên, xin vui lòng để lại tin nhắn Zalo, chúng tôi sẽ phản hồi vào ngày làm việc tiếp theo.
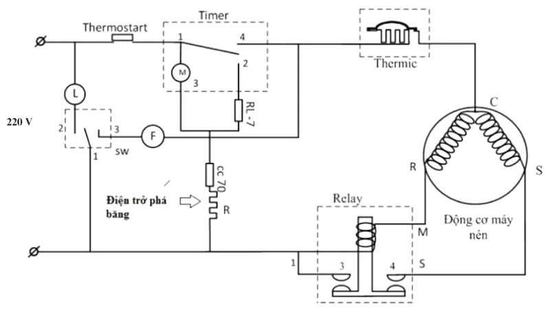
- Chức năng ngắt điện vào máy nén và cấp điện cho hệ thống điện trở xả đá để tẩy tuyết dàn lạnh.
- Tùy theo cấu tạo của timer, thời gian xả đá có thể 6h, 8h, 12h, 24h. Thời gian xả đá từ từ 18 – 30 phút.
- Gồm một động cơ điện xoay chiều một pha M có vòng ngắn mạch có điện áp làm việc như của động cơ máy nén.
- Trục động cơ qua một bánh răng giảm tốc truyền động cho một bánh cam có tốc độ một vòng trong 24 giờ.
- Tùy theo sự sắp xếp các vấu trên bánh cam ta có sự đóng ngắt tiếp điểm theo những chu kỳ thời gian nhất định.
Các loại timer thông dụng:
- Đồng Hồ Tủ Lạnh Panasonic 603 Thái Lan Không Viền
- Đồng Hồ Tủ Lạnh Panasonic 603 Thái Lan Có Viền
- Đồng Hồ Tủ Lạnh Thái Lan 704
- Đồng Hồ Tủ Lạnh 706 Dày Thái Lan
- Đồng Hồ Tủ Quầy Model 802B

Sơ đồ đấu điện Đồng hồ timer tủ lạnh
Chân 1: Là chân cấp nguồn xoay chiều 220V
Chân 2: Là chân cấp điện cho điện trở xả đá
Chân 3: Là mô tơ thời gian
Chân 4: Chân cấp điện cho máy nén.
- Lưu ý:
+ Hình ảnh sản phẩm là hình ảnh thực tế, mầu sắc sẽ không chuẩn với mầu thực tế do sai lệch về ánh sáng lúc chụp ảnh.
+ Kích thước sản phẩm như trong ảnh. Mỗi ô vuông là 1 cm dài và 1 cm rộng.
+ Vì vậy, các bạn nên xem kỹ ảnh sản phẩm trước khi đặt hàng để đỡ mất công đổi trả.