Xin chào! Có bao giờ bạn để ý trên bề mặt aptomat ghi "lằng nhằng" nhiều thứ, khó hiểu trong khi đó mình chỉ cần mua một cái át đôi 20A Vậy làm sao để biết mình đã mua đúng hàng chưa? cái thông số "át đôi, 20A" nó được ký hiệu như thế nào trên atomat? Nào! cùng chúng tôi đi tìm hiểu về Ký Hiệu Aptomat từ những thông số đơn giản đến phức tạp nhé. (Xem thêm: Cách tính chọn aptomat)

Ký hiệu trên bề mặt aptomat
Ký hiệu chung:
Aptomat nói chung được ký hiệu là CB (Circuit breaker) địch sang tiếng việt nghĩa là "ngắt mạch"
Ký hiệu aptomat MCB là gì?

Hình ảnh aptomat MCB
MCB là viết tắt của 3 từ tiếng anh: Miniature circuit breaker có nghĩa là "bộ ngắt mạch thu nhỏ" Dòng điện định mức lên đến 125 A. Thông thường không thể điều chỉnh các đặc tính ngắt. Hoạt động nhiệt hoặc nhiệt từ.
Ký hiệu aptomat MCCB là gì?

MCCB nghĩa là aptomat khối
MCCB là viết tắt của 4 từ tiếng anh: Molded Case Circuit Breaker nghĩa là "Bộ ngắt mạch dạng khối" vì thế nên MCCB được gọi là "át khối". Ở loại này thì dòng điện định mức lên đến 1.600 A. Hoạt động nhiệt hoặc nhiệt từ. Aptomat dạng MCCB thường được ứng dụng trong nhà xưởng, công trình, và sử dụng nguồn điên 3 pha.
Ký hiệu aptomat RCCB là gì?

aptomat chống giật panasonic 32 A
RCCB là viết tắt cả 4 chữ tiếng anh "residual-current circuit breaker" nghĩa là aptomat dòng dò, hay đơn giản mình gọi nó là át tô mát chống giật. Nguyên lý của nó là phát hiện sự mất cân bằng giữa dòng điện vào và dòng điện ra để phát hiện sự cố dò điện từ đó nó tự động cắt điện.
Ký hiệu được in trên bề mặt của aptomat MCB 2 pha 1 cực
Ví dụ: aptomat C32 thì ký hiệu C32 ở đây nghĩa là gì?
Trả lời: C32 có nghĩa là dòng điện định mức của aptomat là 32 A, anh em thợ khi đi ra cửa hàng mua aptomat nói: Cho cái áp 32 A thì người bán hàng sẽ phải lấy ra cái át có ghi chữ C32 để đưa cho họ. Vậy C32 được ghi ở đâu trên át? Cùng đọc tiếp phần dưới đây để được giải đáp nhé.
![]()
Ký hiệu át tép, aptomat đơn hay còn gọi là aptomat 2 pha 1 cực
Ký hiệu số 1: Tên thương hiệu: Có nhiều thương hiệu aptomat phổ biến trên thị trường hiện nay như: aptomat panasoni, aptomat sino, aptomat LS...
Ký hiệu số 2:Tên dòng sản phẩm
Ký hiệu số 3: Dòng điện định mức:
VD: Dòng định mức là 16A nghĩa là aptopmat sẽ duy trì đóng liên tục khi dòng tiêu thụ không quá 16A.
Ký hiệu số 4: Kiểu C: Là loại có dòng tác động tối thiểu từ 5 lần chở lên so với dòng định mức
VD: Dòng định mức của Aptomat là 16A thì dòng tác động tối thiểu để aptomat thực hiện ngắt mạch ngay lập tức khi có hiện tượng chập điện trong khoảng từ 80A chở lên
Để hiểu rõ hơn về dòng tác động tổi thiểu thì xin tham khảo bài viết: Đặc tính cắt của aptomat
Ký hiệu số 5: Loại chức năng: Ở hình vẽ này là ký hiệu chức năng bảo vệ chống quá tải và bảo vệ chập điện, Nếu có 1 hình như thế thì có nghĩa là loại bảo vệ trên 1 cực, còn 2, 3 hình như vậy thì có nghĩa là loại bảo vệ trên 2 hoặc 3 cực.
Ký hiệu số 6: Vị trí in mã QRcode: Dùng để kiểm tra hàng thật giả.
Ký hiệu số 7: Mã số của aptomat
Ký hiệu số 8: Tiêu chuẩn sản xuất
Ký hiệu số 9: Dòng điện lớn nhất mà aptomat có thể chịu được mà không bị cháy nổ. Trong hình vẽ nó có thể chịu được dòng điện lên đến 6000 A
Ký hiệu số 10: Điện áp định mức: Là điện áp lớn nhất mà aptomat có thể hoạt động tốt. Ở Việt Nam điện lưới 1 pha dùng trong sinh hoạt hàng ngày là 220 V nên với điện áp định mức nghi trên aptomat là 240/410V~ thì hoàn toàn có thể đáp ứng được.
Ký hiệu số 11: Ký hiệu trạng thái đóng mở của Aptomat: Mầu xanh nghĩa là aptomat đang cắt điện, mầu đỏ nghĩa là aptomat đang đóng điện.
Ký hiệu aptomat chống giật RCCB Panasonic

Ký hiệu aptomat chống giật Panasonic
Như đã nói ở trên, ký hiệu RCCB là ký hiệu của aptomat chống giật. Cùng tìm hiểu các ký hiệu được in trên mặt át loại này như sau:
Ký hiệu số 1 đến số 11: Ý nghĩa giống như loại MCB đã trình bầy bên trên
Ký hiệu số 12 và 15: Cực N viết tắt của chữ Neotral là cực mà mình sẽ bắt dây mát (dây trung tính) vào.
Ký hiệu số13: Dòng rò aptomat chống giật loại 30mA: Về lý thuyết thì dòng điện đi ra từ cực dương (trong hình bên thì nó là cực mà không có ký hiệu, tuy nhiên một số loại aptomat khác thì nó ký hiệu là chữ "L") qua các thiết bị điện rồi về cực âm (trong hình vẽ nó là cực có ký hiệu là chữ "N") thì cường độ dòng điện sẽ bằng nhau ở mọi nơi (tham khảo lý thuyết mạch nối tiếp trên wiki) vậy nên khi dòng điện bị rò ra bên ngoài (VD: Chạm dây âm hoặc dây dương ra bên đất, ra cơ thể người...) thì lúc này cường độ dòng điện ở cực âm và cực dương sẽ không bằng nhau. Và trong trường hợp như hình ảnh bên thì nếu độ trênh lệch là 30mA trở lên thì aptomat chống giật sẽ cắt ngay dòng điện.
Ký hiệu số 17: Thời gian cắt điện ≤0.1S: Là thời gian tính từ lúc xuất hiện sự trênh lệch dòng điện giữa cực âm và cực dương lớn hơn 30mA đến lúc aptomat chống giật cắt điện. Như ở hình bên là loại aptomat chống giật panasonic 32A thì thời gian cắt điện nhỏ hơn hoặc bằng 0.1 giây
Ký hiệu số 14: Nút kiểm tra hoạt động của aptomat chống giật pananonic 32A: Để duy trì hoạt động ổn định của aptomat chống giật, nhà sản xuất khuyến cáo hàng tháng chúng ta nên kiểm tra định kỳ ít nhất 1 lần và cái nút đấy sinh ra để làm việc này, chỉ cần ấn nút test monthly thì aptomat chống giật sẽ cắt điện.
Ký hiệu số 16: Sơ đồ nguyên lý hoạt động aptomat chống giật.
Ký hiệu aptomat chống giật RCCB sino:

Ký hiệu aptomat chống giật Sino
Ký hiệu số 1 đến 16: Xem ở các phần trên
Ký hiệu số 17: Chân số 2 là cực ra đi đến các thiết bị như: Bình nóng lạnh, bếp từ... Chân số 1: Là cực vào của nguồn điện. Và cả hai cực này đều đầu nối với dây dương.
Ký hiệu số 18: Ký hiệu loại aptomat: Ở đây nó là loại aptomat RCCB
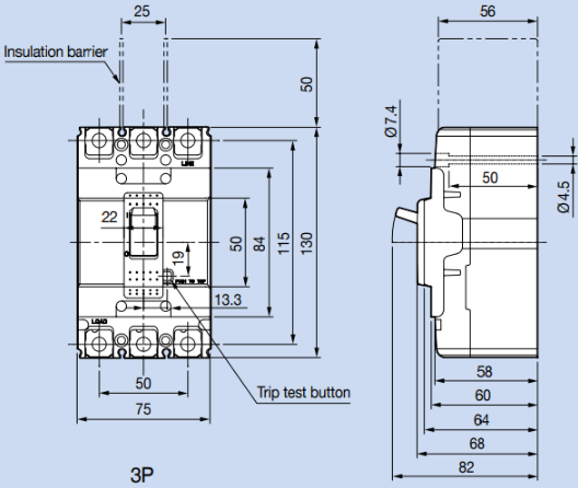
Ký hiệu aptomat khối MCCB

Ký hiệu aptomat khối MCCB
| Stt | Ký hiệu | Ý nghĩa | Giải thích |
| 1 | LINE | Là cực lắp dây nguồn | |
| 2 | Metasol | Dòng thiết bị hạ thế của hãng LS | Metasol bao ngồm các sản phẩm như: MCCB; Contactor, Relay... |
| 3 | ABN 103c | Dòng sản phẩm | |
| 4 | 100AF-3P | Kích thước của loại 100A | ![]() |
| 5 | Ue | Điện áp định mức | Là điện áp lớn nhất mà aptomat có thể chịu được sau 1 giây |
| 6 | Ics | Dòng điện phá hủy | Là dòng điện lớn nhất mà aptomat có thể chịu được sau 1 giây |
| 7 |
690V ~ 5kA 480/500 ~ 10kA 415/460V ~ 18kA 380V ~ 22kA 220/240 ~ 35kA
|
Mối quan hệ giữa điện áp xoay chiều định mức và dòng định mức |
Ví dụ: 690V ~ 5kA: Với điện áp xoay chiều là 690V, dòng tiêu thụ của tải nhỏ hơn hoặc bằng 5kA thì khi đó các tiếp điểm của aptomat MCCB sẽ không bị hỏng trong vòng 1 giây .480/500 ~ 10kA: Với điện áp xoay chiều từ 480V đến 500 V thì MCCB có thể chịu được dòng điện lên đến 10kA trong vòng 1 giây
|
| 8 | 500V = 10kA | Mối quan hệ giữa điện áp một chiều định mức và dòng định mức | 500V = 10kA: Với điện áp 1 chiều là 500V thì MCCB có thể chịu được dòng điện lên đến 10kA trong vòng 1 giây. |
| 9 | Ics = 100%Icu |
Icu (Ultimate breaking capacity (kA)): Là dòng cực đại mà mccb có thể chịu được trong điều khiện thí nghiệm. Ics (Service breaking capacity (%Icu)): Là dòng cực đại mà mccb có thể chịu được trong điều khiện thực tế sử dụng. |
Ics = 100%Icu: nghĩa là trong điều kiện sử dụng thực tế giống như trong thí nghiệm, kiểm nghiệm. Tỷ lệ phần trăm được công bố bởi nhà sản xuất, tỷ lệ này cang cao thì MCCB càng xịn sò. |
| 10 | 50/60Hz | Tần số dòng điện | |
| 11 | Cat.A | Ký hiệu aptomat trong bản vẽ điên | ở đây là ký hiệu aptomat cho loại mccb |
| 12 | IEC60947-2 | Tiêu chuẩn sản xuất | |
| 13 | 75A | Dòng điện định mức | Khi dòng tiêu thụ vượt quá 75A thì aptomat sẽ cắt điện sau một khoảng thời gian nhất định |
| 14 | PUSH TO TRIP | Nút an toàn khi sửa chữa điện |
Khi ấn nút này thì cần gạt nằm ở vị trí chính giữa, để bật lại aptomat thì mình không thể gạt trực tiếp lên vị trí on được mà phải kéo mạnh xuống off rồi mấy bật lại lên được. Bạn có thể tham khảo cách sử dung MCCB ở video dưới đây: |
| 15 | LS | Lô gô thương hiệu LS | |
| 16 | Ui 1000V | Điện áp cách điện định mức | Giá trị của Ui càng lớn thì khả năng cách điện giữa hai cực của MCCB càng cao. Trong trường hợp này Ui = 1000V tức là với điện áp là nhỏ hơn hoặc bằng 1000V thì MCCB vẫn chịu được |
| 17 | MCCB | Ký hiệu dành cho aptomat khối | |
| 18 | Uimp 8kV | Điện áp sung định mức | Là điện áp sinh ra tức thời với cường độ lớn chẳng hạn như khi sét đánh. Trong trường hợp này thì điện áp xung định mức mà MCCB có thể chịu được là 8kV (8000V) |
| 19 | LS ELECTRIC | Tên nhà sản xuất | An Huy cung cấp các thiết bị điện cho các hãng hàng đầu như: Thiết bị điện Sino tại quận hai bà trưng; Thiết bị điện panasonic; thiết bị điện LS; Dây cáp điện trần phú; Dây cáp điện cadisun; Thiết bị chiếu sáng Rạng Đông... |
| 20 | LOAD | Cực ra | Cực này được đấu nối với tải tiêu thụ |
| 21 | AN HUY Co.,LTD | Thương hiệu nhà cung cấp | Công ty chúng tôi rất hân hạnh được cung cấp các loại aptomat tại minh khai, tại quận hai bà trưng ha nội. |
Trên đây là ký hiệu aptomat của các loại phổ biến trên thị trường, với sự hiểu biết nông cạn của mình hy vọng sẽ mang lại cho các bạn một chút thông tin giá trị. An huy vô cùng chân trọng sự kiên trì của các bạn để có thể đọc được đến tận những dòng chữ này.
Xin chân trọng cảm ơn!
Ps: để tìm hiểu về aptomat là gì xin vào đọc bài: https://www.diennuocanhuy.vn/aptomat-la-gi
Để biết giá aptomat tại quận hai bà trưng xin vào danh mục: https://www.diennuocanhuy.vn/aptomat-cau-dao
